线上佛山陶博会,线上陶博会,线上展会,佛山陶博会,博览会,陶瓷,卫浴,展会,陶博会,陶瓷展会,瓷砖招商,陶瓷招商,陶瓷加盟,陶瓷代理,陶瓷营销,招商,加盟,岩板,个性化定制

线上佛山陶博会-全新的营销模式,线上展会解决难题!是中国陶瓷以及卫浴产品市场风向标,也是世界陶瓷卫浴的中国主场。陶瓷卫浴等数千个品牌加盟、招商、代理,展示优质商品以及便捷、贴心的服务,为您提供愉悦的观展体验。

关注公众号 关注公众号
关注小程序 关注小程序
注册/登陆
陶博会logo
首页
关于陶博会
展会指引
电子门票
直播
头条
品牌
新品
活动
展商中心
猜你喜欢
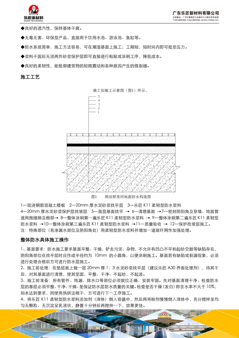
K11柔韧型防水
风格:
其他
分类:
绿色建材/涂料
价格:
面议